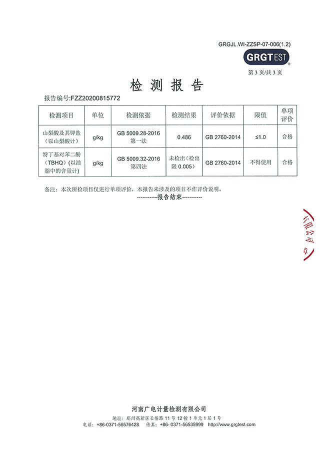
老式草莓视频黄污外检 发布时间:2021-03-02作者:来源:洛阳草莓下载污食品有限公司点击:5573 上一篇:食品安全管理体系认证证书 下一篇:营业执照 分享到:0 用手机看 拍下二维码,信息随身看 试试用微信扫一扫,在你手机上继续观看此页面。